甘肃省合作早子沟金矿有限责任公司
边角矿石招标文件
本次招标产品为我公司边角矿石。投标人需提供“三证合一”的营业执照复印件、法人授权委托书(原件)并加盖企业公章,并于2025年6月26日 17: 00 前将上述材料送交甘肃省合作早子沟金矿有限责任公司审计科法务人员进行审核,审核合格后的单位应于2025年6月26日17:00前交纳投标保证金(见下表,保证金须以转账方式支付)。投标保证金交纳金额与我公司招标文件要求不符的、投标保证金未及时到账的视为废标。若投标人最终未中标,则由投标人开具收款收据后,我公司将一次性无息退还投标保证金。
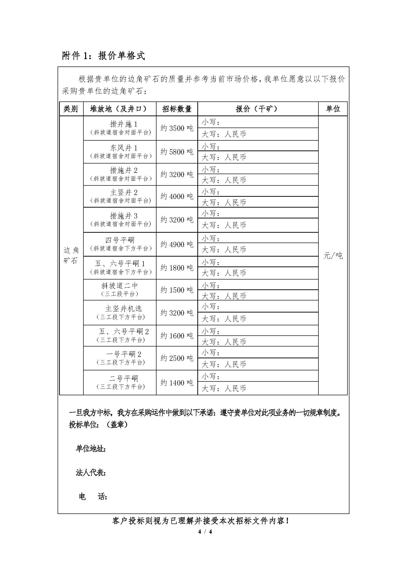
本次招标产品如下:

注:本次招标产品数量为预估数,投标按干矿报价,中标结算湿矿以实际过磅数为准,水分按2%扣除计算干矿;我公司开具甘肃省增值税普通发票(黄金)。
投标保证金交纳账户如下:
户名:甘肃省合作早子沟金矿有限责任公司
开户行:工商银行合作市支行营业室
账号:2715080129200084613
行号:102838000020
联 系 人:刘亚军 电 话:15309414629
1.标书要求
标书须法定代表人或代理人签字并加盖公章,客户将原件扫描后于2025年6月26日14:00-17:00间发送至凯发k8天生赢家一触即发矿业指定投标邮箱:zjkyxsb@163.com。
注:
①标书邮件发送主题格式为“招标单位名称+投标单位名称”,2025年6月26日17:00时标书未发送至指定邮箱的则视为自动放弃投标资格。
②发送投标书的发件人即“邮箱发送地址”不能出现重复,即一个邮箱地址只能报送一个投标单位的标书。
③投标单位不得发送多封报价邮件,若出现多封报价邮件,则以最后时间发送的为准。
④请投标人如实填写单位及法定代表人或代理人名称,以保证今后货款支付、合同签订、发票开具单位的一致性(附标书格式:见附页)。
⑤招标出现两家及以上中标的,招标产品平均分配销售,或客户同意后作为废标处理,重新招标。
2.本次招标为一次性报价,在标书报送截止后现场制定底标并立即进行开标。高于底标的最高报价单位为中标单位,报价全部低于底标为流标;开标时符合投标要求的投标人少于三家则为流标;若投标人中标后放弃中标资格的,我公司扣留全额投标保证金,不予退回;中标人必须在合同生效后10个工作日内付清100%货款到账。
3.招标结束之后中标人必须在 3 个工作日内预付货款进行拉运。中标人需在中标后 3 日内进行合同签订(签署合同的同时,投标保证金转为同等金额的履约保证金),并根据合同约定事项,进行款项预付及货物装运。如中标人在合同规定时间内预付货款不能及时到位,我公司将取消其本次中标资格并扣除全额投标保证金;若中标人未听从我公司安排在规定时间内装完货物,我公司将有权终止合同并扣除中标人全额履约保证金(本次招标产品于2025年7月25日前拉运完毕)。为保障中标人的权益,我公司承诺,在此次招标产品数量内,我公司将不会销售给除中标人以外的任何客户。如本次招标有违反上述约定的行为,请贵公司拨打举报电话进行投诉,举报电话:0535-8262976。
4.如无异议,请投标人将此招标文件和报价单加盖企业公章(或按捺手印)原件扫描后发送至指定投标邮箱;报价单所需填写的数据原则上要求电子版,若手写须大小写注明,如有涂改、不清晰或大小写不一致的视为废标。其他未尽事宜,以中标后签订的合同条款约定为准。
招标咨询电话:李春才 13893927587
本次招标最终解释权归甘肃省合作早子沟金矿有限责任公司。
甘肃省合作早子沟金矿有限责任公司
2025年6月20日
投标人(签字)盖章
日期:
